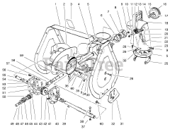
38072 (724) - Toro 24" Snow Thrower (SN: 089000001 - 089999999) (1998) Parts & Diagrams Parts Lists & Diagrams

24" Snow Thrower