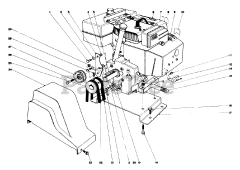
38085 (824) - Toro 24" Snow Thrower (SN: 003000001 - 003999999) (1983) Parts & Diagrams Parts Lists & Diagrams

24" Snow Thrower