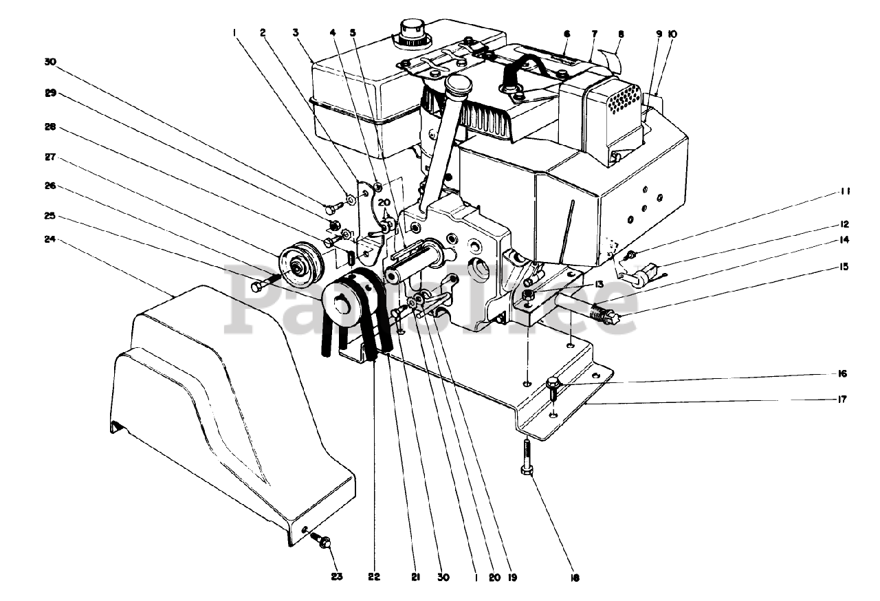
38085 C (824) - Toro 24" Snow Thrower (SN: 007000001 - 007999999) (1987) Engine Assembly Parts Diagram

24" Snow Thrower

Engine Assembly Parts Diagram

  • Title
1

Toro 3255-8

WASHER-LOCK

$0.99

$

In Stock, only 3 left!

0

2

Toro 20-1800

DISCONTINUED

$

$

Not available

3

Toro 52-2670

DISCONTINUED- ORDER 34156A TECUMSEH

$

$

Not available

4

Toro 40-8490

SPACER

$

$

Not available

5

$

$

Not available

6

Toro 54-9750

CAUTION DECAL

$

$

Not available

7

Engine

$

$

Not available

8

Toro 39-7110

DISCONTINUED

$

$

Not available

9

Toro 39-7100

See Supercession: 53-7680
(Superseded to 53-7680)

$

$

Not available

10

Toro 39-7090

DISCONTINUED

$

$

Not available

11

Toro 32144-4

SCREW-HWH

$1.49

$

In Stock, Qty 20+

0

12

Toro 41-8601

DISCONTINUED

$

$

Not available

13

Toro 3296-29

NUT-LOCK, NI

$2.49

$

In Stock, Qty 20+

0

14

Toro 289-34

NIPPLE-PIPE

$43.99

$

Usually ships in 3-6 days

0

15

Toro 288-2

CAP-PIPE

$20.99

$

Usually ships in 3-6 days

0

16

Toro 32144-69

SCREW-HWHTF

$2.49

$

Usually ships in 3-6 days

0

17

Toro 37-0320

See Supercession: 37-0320-03
(Superseded to 37-0320-03)

$

$

Not available

18

Toro 322-7

SCREW-HH

$1.49

$

In Stock, Qty 20+

0

19

Toro 17-5530

DISCONTINUED

$

$

Not available

20

Toro 3256-23

WASHER-PLAIN

$2.49

$

In Stock, Qty 20+

0

21

Toro 20-1820

V-BELT

$23.99

$

Usually ships in 3-6 days

0

22

Toro 26-9670

V-BELT

$26.99

$

In Stock, only 3 left!

0

23

Toro 32144-10

SCREW-HWH

$4.99

$

In Stock, Qty 18

0

24

Toro 20-1830

DISCONTINUED

$

$

Not available

25

Toro 21-4100

DISCONTINUED

$

$

Not available

26

Toro 323-8

SCREW-HH

$1.49

$

In Stock, Qty 20+

0

27

Toro 3-4244

PULLEY-IDLER

$28.99

$

Usually ships in 3-6 days

0

28

Toro 3246-18

SETSCREW

$5.49

$

Usually ships in 3-6 days

0

29

Toro 3296-44

NUT-LOCK, NI

$3.49

$

Usually ships in 3-6 days

0

30

Toro 3210-3

SCREW-HH

$6.99

$

Usually ships in 3-6 days

0