My Account
Order Status
Contact Us
ProAdvantage
About Us
Reviews
Help
Privacy Policy
Terms & Conditions
0
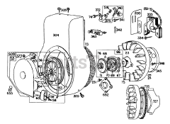
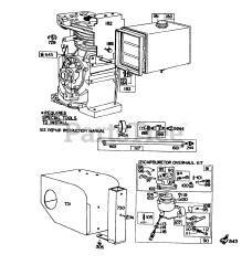
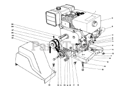
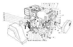
Part#
$
32" Snow Thrower