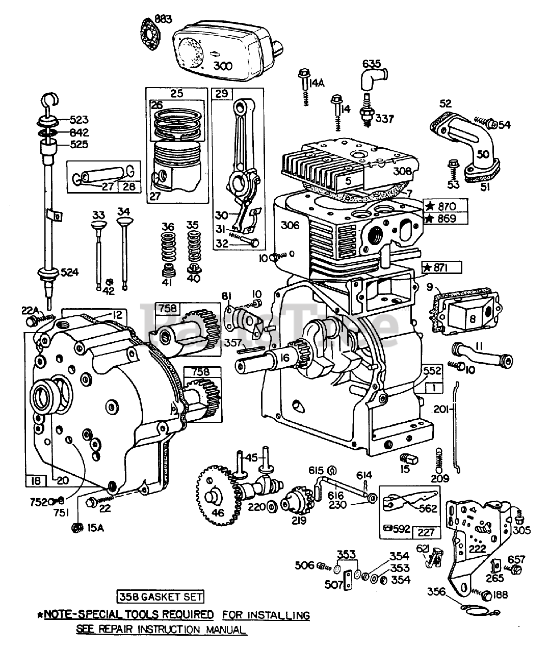
38150 (826) - Toro Snow Thrower (SN: 001000001 - 001999999) (1981) ENGINE BRIGGS & STRATTON MODEL NO. 252412 TYPE NO. 0191-01 (11 H.P. SNOWTHROWER MODEL 38090) Parts Diagram

Snow Thrower

ENGINE BRIGGS & STRATTON MODEL NO. 252412 TYPE NO. 0191-01 (11 H.P. SNOWTHROWER MODEL 38090) Parts Diagram

  • Title
1

Toro 393413

Cylinder Assembly

$

$

Currently unavailable

5

Briggs & Stratton 212305

Head Cylinder
(Superseded to 212917)

$

$

Not available

7

Briggs & Stratton 271075

Gasket-Cylinder Hd.
(Superseded to 271866S)

$9.99

$

In Stock, Qty 20+

0

8

Briggs & Stratton 391575

Breather Assembly
(Superseded to 495736)

$46.99

$

Usually ships in 2-12 days

0

9

Briggs & Stratton 27803

Gasket-Breather
(Superseded to 27803S)

Note: Included in Gasket Set-part No. 391834.

$4.49

$

In Stock, Qty 20+

0

10

Briggs & Stratton 93394

Screw
(Superseded to 691666)

$4.49

$

In Stock, only 3 left!

0

11

Briggs & Stratton 280112

Tube-Breather

$

$

Not available

12

Briggs & Stratton 270856

Gasket-Crankcase Cover-1/64"Thick
(Superseded to 692281)

Note: Included in Gasket Set-part No. 391834.

$7.99

$

In Stock, only 1 left!

0

Briggs & Stratton 270857

Gasket-Crankcase Cover-.005" thick
(Superseded to 272219)

Note: Included in Gasket Set-part No. 391834.

$

$

Not available

Briggs & Stratton 270858

Gasket-Crankcase Cover-.009" Thick
(Superseded to 272220)

Note: Included in Gasket Set-part No. 391834.

$14.99

$

In Stock, Qty 6

0

14

Briggs & Stratton 93723

Screw-Cylinder Head
(Superseded to 690904)

$11.99

$

In Stock, only 2 left!

0

14A

Briggs & Stratton 93211

Screw-Cylinder Head
(Superseded to 592244)

$3.49

$

In Stock, Qty 20+

0

Briggs & Stratton 22963

Washer
(Superseded to 691261)

$4.49

$

In Stock, only 2 left!

0

15

Briggs & Stratton 91084

Plug-Pipe
(Superseded to 690946)

$6.49

$

In Stock, only 2 left!

0

15A

Briggs & Stratton 93418

Plug
(Superseded to 691680)

$6.49

$

In Stock, only 3 left!

0

16

Briggs & Stratton 261336

Crankshaft
(Superseded to 491644)

$242.99

$

In Stock, only 1 left!

0

18

Briggs & Stratton 391747

Cover Assy.-Crankcase
(Superseded to 496985)

$

$

Not available

20

Briggs & Stratton 291675

Seal-Oil
(Superseded to 291675S)

$7.49

$

In Stock, Qty 8

0

22

Briggs & Stratton 93585

Screw-Sem
(Superseded to 691103)

$4.49

$

In Stock, only 4 left!

0

22A

Briggs & Stratton 93764

Screw-Crankcase
(Superseded to 694966)

$5.99

$

Usually ships in 2-12 days

0

25

Briggs & Stratton 391285

Assembly-Standard
(Superseded to 499956)

$

$

Not available

Briggs & Stratton 391287

Piston Assy.-.010" O.S.

$

$

Not available

Briggs & Stratton 391288

Piston Assy.-.020" O.S.
(Superseded to 499958)

$

$

Not available

Briggs & Stratton 391289

Piston Assy.-.030" O.S.

$

$

Not available

26

Briggs & Stratton 391780

Ring Set (Std.)
(Superseded to 499996)

$64.99

$

In Stock, only 4 left!

0

Briggs & Stratton 391781

Ring Set (.010 O.S.)

$

$

Not available

Briggs & Stratton 391782

Ring Set (.020 O.S.)
(Superseded to 499998)

$73.99

$

Usually ships in 2-12 days

0

Briggs & Stratton 391783

Ring Set (.030" O.S.)

$

$

Not available

27

Briggs & Stratton 260924

Lock-Piston Pin
(Superseded to 691792)

$5.49

$

Usually ships in 2-12 days

0

28

Briggs & Stratton 299691

Pin-Piston (Std.)

$19.99

$

Usually ships in 2-12 days

0

Briggs & Stratton 391286

Pin-Piston (.005" OS.)

$

$

Not available

29

Briggs & Stratton 391816

Rod Assembly-Connecting
(Superseded to 490348)

$55.99

$

Usually ships in 2-12 days

0

30

Briggs & Stratton 222329

Dipper-Conn. Rod
(Superseded to 690405)

$

$

Not available

31

$

$

Not available

32

Briggs & Stratton 92909

Screw-Conn. Rod
(Superseded to 691133)

$5.49

$

In Stock, only 2 left!

0

33

Briggs & Stratton 261185

Valve-Exhaust
(Superseded to 691796)

$48.99

$

Usually ships in 2-12 days

0

34

Briggs & Stratton 261462

Valve-Intake
(Superseded to 690429)

$

$

Not available

35

Briggs & Stratton 65906

Spring-Valve
(Superseded to 691605)

$7.49

$

In Stock, Qty 9

0

36

Briggs & Stratton 26828

Spring-Valve
(Superseded to 691597)

$11.99

$

In Stock, Qty 5

0

40

Briggs & Stratton 221596

Retainer-Valve
(Superseded to 690656)

$

$

Not available

41

Briggs & Stratton 292260

Retainer-Valve
(Superseded to 691939)

$29.99

$

In Stock, only 4 left!

0

42

Briggs & Stratton 93630

Retainer-Rotocoil
(Superseded to 494553)

$8.49

$

In Stock, only 2 left!

0

45

Briggs & Stratton 261183

Tappet Valve
(Superseded to 691811)

$

$

Not available

46

Briggs & Stratton 212296

Gear-Cam
(Superseded to 697668)

$

$

Not available

50

$70.99

$

Usually ships in 2-12 days

0

51

Briggs & Stratton 270267

Gasket-Barab. Mtg
(Superseded to 692214)

Note: Included in Gasket Set-part No. 391834.

$4.99

$

In Stock, Qty 20+

0

52

Briggs & Stratton 270872

Gasket-Intake
(Superseded to 498869)

Note: Included in Gasket Set-part No. 391834.

$5.99

$

In Stock, only 2 left!

0

53

Briggs & Stratton 93415

Screw
(Superseded to 691681)

$8.99

$

In Stock, only 1 left!

0

$8.99

$

In Stock, only 4 left!

0

81

Briggs & Stratton 222407

Retainer-Counterweight
(Superseded to 691172)

$10.99

$

Usually ships in 2-12 days

0

188

Briggs & Stratton 93535

Crew
(Superseded to 691058)

$6.49

$

In Stock, Qty 9

0

201

Briggs & Stratton 261236

Link-Governor

$

$

Not available

209

Briggs & Stratton 260695

Spring
(Superseded to 796260)

$5.49

$

In Stock, Qty 20+

0

219

Briggs & Stratton 391737

Gear Governor

$42.99

$

In Stock, only 2 left!

0

220

Briggs & Stratton 221551

Washer-Thrust
(Superseded to 691724)

$5.49

$

In Stock, only 1 left!

0

222

Briggs & Stratton 391633

Plate-Gov. Control

$47.99

$

Usually ships in 2-12 days

0

227

Briggs & Stratton 391732

Lever Assy.-Governor

$

$

Not available

230

Briggs & Stratton 222450

Washer
(Superseded to 691691)

$4.49

$

In Stock, Qty 5

0

265

Briggs & Stratton 221535

Clamp-Casing
(Superseded to 691024)

$3.99

$

In Stock, only 2 left!

0

300

Briggs & Stratton 392101

Muffler-Exhaust
(Superseded to 498984S)

$86.99

$

Usually ships in 2-12 days

0

305

Briggs & Stratton 93158

Screw
(Superseded to 692198)

$6.49

$

In Stock, Qty 20+

0

306

Briggs & Stratton 222744

Shield-Cylinder
(Superseded to 690489)

$19.99

$

Usually ships in 2-12 days

0

308

Briggs & Stratton 222306

Cover Cyl. Head
(Superseded to 224892)

$

$

Not available

337

Briggs & Stratton 293918

Plug-Spark
(Superseded to 796112S)

$3.99

$

In Stock, Qty 20+

0

353

Briggs & Stratton 92791

Washer-Lock
(Superseded to 691077)

$3.99

$

In Stock, only 2 left!

0

354

Briggs & Stratton 90576

Nut
(Superseded to 691612)

$3.49

$

In Stock, only 1 left!

0

356

Briggs & Stratton 391602

Wire-Ground
(Superseded to 398808)

$12.99

$

In Stock, only 4 left!

0

357

Briggs & Stratton 91540

Key-Pulley
(Superseded to 691483)

$7.49

$

In Stock, Qty 6

0

358

Briggs & Stratton 391834

Gasket Set
(Superseded to 492653)

$

$

Not available

506

Briggs & Stratton 90200

Screw-Terminal

$

$

Not available

507

$5.49

$

In Stock, only 1 left!

0

523

Briggs & Stratton 392295

Dipstick/Filler Oil
(Superseded to 490665)

$

$

Not available

524

Briggs & Stratton 68838

Seal-Fill Tube
(Superseded to 281370S)

$8.99

$

In Stock, Qty 20+

0

525

Briggs & Stratton 392283

Tube-Oil Filler
(Superseded to 496517)

$

$

Not available

552

Briggs & Stratton 231056

Crank-Governor
(Superseded to 491893)

$113.99

$

Usually ships in 2-12 days

0

$

$

Not available

592

Briggs & Stratton 231082

Nut (Governor Control Lever)
(Superseded to 691251)

$3.49

$

In Stock, Qty 8

0

614

Briggs & Stratton 93306

Pin-Cotter
(Superseded to 691620)

$4.99

$

In Stock, only 1 left!

0

615

Briggs & Stratton 93307

Retainer-Ring

$6.49

$

In Stock, only 3 left!

0

616

Briggs & Stratton 231057

Ring-Retainer
(Superseded to 692015)

$17.99

$

In Stock, only 1 left!

0

621

Briggs & Stratton 297472

Switch-Stop
(Superseded to 297472S)

$

$

Not available

635

Briggs & Stratton 66538

Boot-Plug, Spark
(Superseded to 66538S)

$3.99

$

In Stock, Qty 20+

0

657

Briggs & Stratton 93496

Screw
(Superseded to 690804)

$

$

Not available

751

Briggs & Stratton 22355

Washer
(Superseded to 690258)

$6.99

$

Usually ships in 2-12 days

0

752

Briggs & Stratton 93554

Screw
(Superseded to 690304)

$3.99

$

Usually ships in 2-12 days

0

758

Briggs & Stratton 391481

Counterweight & Bearing
(Superseded to 691369)

$

$

Not available

842

Briggs & Stratton 270933

Seal-"O" Ring

$

$

Not available

869

Briggs & Stratton 261463

Seat-Intake Valve
(Superseded to 691802)

$

$

Not available

870

Briggs & Stratton 210940

Seat-Exhaust Valve
(Superseded to 691844)

$

$

Not available

871

Toro 230665

Guide-Exhaust Valve

$

$

Currently unavailable

883

Briggs & Stratton 270917

Gasket Exhaust
(Superseded to 692236)

$5.49

$

In Stock, Qty 20+

0