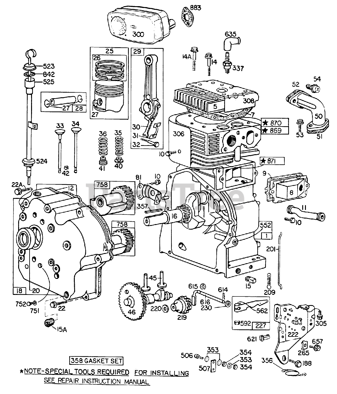
38160 (1132) - Toro Snow Thrower (SN: 000000001 - 000999999) (1980) Engine Model No. 252416 Type No. 0190-01(11 H.p. Snowthrower Modbriggs Stratton Parts Diagram

Snow Thrower

Engine Model No. 252416 Type No. 0190-01(11 H.p. Snowthrower Modbriggs Stratton Parts Diagram

  • Title
1

Toro 393413

Cylinder Assembly

$

$

Currently unavailable

5

Toro 212305

Head Cylinder
(Superseded to 705772)

$

$

Not available

7

Toro 271075

Gasket-Cylinder Hd.

$

$

Currently unavailable

8

Toro 391575

Breather Assembly

$

$

Currently unavailable

9

Toro 27803

Gasket-Breather

Note: Included in Gasket Set-Part No. 393421.

$

$

Currently unavailable

10

Toro 93394

Screw

$

$

Currently unavailable

11

Toro 280112

Tube-Breather

$

$

Currently unavailable

12

Toro 270856

Gasket-Crankcase Cover-1/64"Thick

Note: Included in Gasket Set-Part No. 393421.

$

$

Currently unavailable

Toro 270857

Gasket-Crankcase Cover-.005" thick

Note: Included in Gasket Set-Part No. 393421.

$

$

Currently unavailable

Toro 270858

Gasket-Crankcase Cover-.009" Thick

Note: Included in Gasket Set-Part No. 393421.

$

$

Currently unavailable

14

Toro 93723

Screw-Cylinder Head

$

$

Currently unavailable

14A

Toro 93211

Screw-Cylinder Head

$

$

Currently unavailable

15

Toro 91084

Plug-Pipe

$

$

Currently unavailable

15A

Toro 93418

Plug

$

$

Currently unavailable

16

Toro 261336

Crankshaft

$

$

Currently unavailable

18

Toro 391747

Cover Assy.-Crankcase

$

$

Currently unavailable

20

Toro 291675

Seal-Oil

$

$

Currently unavailable

22

Toro 93585

Screw-Sem

$

$

Currently unavailable

22A

Toro 93764

Screw-Crankcase

$

$

Currently unavailable

25

Toro 391285

Assembly-Standard

$

$

Currently unavailable

Toro 391287

Piston Assy.-.010" O.S.

$

$

Currently unavailable

Toro 391288

Piston Assy.-.020" O.S.

$

$

Currently unavailable

Toro 391289

Piston Assy.-.030" O.S.

$

$

Currently unavailable

26

Toro 391780

Ring Set (Std.)

$

$

Currently unavailable

Toro 391781

Ring Set (.010 O.S.)

$

$

Currently unavailable

Toro 391782

Ring Set (.020 O.S.)

$

$

Currently unavailable

Toro 391783

Ring Set (.030" O.S.)

$

$

Currently unavailable

27

Toro 260924

Lock-Piston Pin

$

$

Currently unavailable

28

Toro 299691

Pin-Piston (Std.)

$

$

Currently unavailable

Toro 391286

Pin-Piston (.005" OS.)

$

$

Currently unavailable

29

Toro 391816

Rod Assembly-Connecting

$

$

Currently unavailable

30

Toro 222329

Dipper-Conn. Rod

$

$

Currently unavailable

31

Toro 222299

Lock-Screw
(Superseded to 147567)

$

$

Not available

32

Toro 92909

Screw-Conn. Rod

$

$

Currently unavailable

33

Toro 261185

Valve-Exhaust

$

$

Currently unavailable

34

Toro 261462

Valve-Intake

$

$

Currently unavailable

35

Toro 65906

Spring-Valve

$

$

Currently unavailable

36

Toro 26828

Spring-Valve

$

$

Currently unavailable

40

Toro 221596

Retainer-Valve

$

$

Currently unavailable

41

Toro 292260

Retainer-Valve

$

$

Currently unavailable

42

Toro 93630

Retainer-Rotocoil

$

$

Currently unavailable

45

Toro 261183

Tappet Valve

$

$

Currently unavailable

46

Toro 212296

Gear-Cam
(Superseded to 705771)

$

$

Not available

50

Toro 212301

Elbow-Intake

$

$

Currently unavailable

51

Toro 270267

Gasket-Barab. Mtg

Note: Included in Gasket Set-Part No. 393421.

$

$

Currently unavailable

52

Toro 270872

Gasket-Intake

Note: Included in Gasket Set-Part No. 393421.

$

$

Currently unavailable

53

Toro 93415

Screw

$

$

Currently unavailable

54

Toro 93208

Screw-Sem

$

$

Currently unavailable

81

Toro 222407

Retainer-Counterweight

$

$

Currently unavailable

188

Toro 93535

Crew

$

$

Currently unavailable

201

Toro 261236

Link-Governor

$

$

Currently unavailable

209

Toro 260695

Spring

$

$

Currently unavailable

219

Toro 391737

Gear Governor

$

$

Currently unavailable

220

Toro 221551

Washer-Thrust

$

$

Currently unavailable

222

Toro 391633

Plate-Gov. Control

$

$

Currently unavailable

227

Toro 391732

Lever Assy.-Governor

$

$

Currently unavailable

230

Toro 222450

DISCONTINUE-DESA

$

$

Not available

265

Toro 221535

Clamp-Casing

$

$

Currently unavailable

300

Toro 392101

Muffler-Exhaust

$

$

Currently unavailable

305

Toro 93158

Screw

$

$

Currently unavailable

306

Toro 222744

Shield-Cylinder

$

$

Currently unavailable

308

Toro 222306

Cover Cyl. Head

$

$

Currently unavailable

337

Toro 293918

Plug-Spark

$

$

Currently unavailable

353

Toro 92791

Washer-Lock

$

$

Currently unavailable

354

$

$

Currently unavailable

356

Toro 391602

Wire-Ground

$

$

Currently unavailable

357

Toro 91540

Key-Pulley

$

$

Currently unavailable

358

Toro 393421

Gasket Set

$

$

Currently unavailable

506

Toro 90200

Screw-Terminal

$

$

Currently unavailable

507

Toro 66895

InsuIator

$

$

Currently unavailable

523

Toro 392295

Dipstick/Filler Oil

$

$

Currently unavailable

524

Toro 68838

Seal-Fill Tube

$

$

Currently unavailable

525

Toro 392283

Tube-Oil Filler

$

$

Currently unavailable

552

Toro 231056

Crank-Governor

$

$

Currently unavailable

562

Toro 92613

Bolt

$

$

Currently unavailable

592

Toro 231082

Nut (Governor Control Lever)

$

$

Currently unavailable

614

Toro 93306

Pin-Cotter

$

$

Currently unavailable

615

Toro 93307

Retainer-Ring

$

$

Currently unavailable

616

Toro 231057

Ring-Retainer

$

$

Currently unavailable

621

Toro 297472

Switch-Stop

$

$

Currently unavailable

635

Toro 66538

Boot-Plug, Spark

$

$

Currently unavailable

657

Toro 93496

Screw

$

$

Currently unavailable

751

Toro 22355

Washer

$

$

Currently unavailable

752

Toro 93554

Screw

$

$

Currently unavailable

758

Toro 391481

Counterweight Bearing

$

$

Currently unavailable

842

Toro 270933

Seal-"O" Ring

$

$

Currently unavailable

869

Toro 261463

Seat-Intake Valve

$

$

Currently unavailable

870

Toro 210940

Seat-Exhaust Valve

$

$

Currently unavailable

871

Toro 230665

Guide-Exhaust Valve

$

$

Currently unavailable

883

Toro 270917

Gasket Exhaust

$

$

Currently unavailable