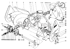
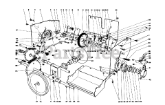
38160 (1132) - Toro Snow Thrower (SN: 001000001 - 001999999) (1981) Parts & Diagrams Parts Lists & Diagrams

Snow Thrower