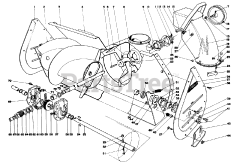
38160 (1132) - Toro Snow Thrower (SN: 002000001 - 002999999) (1982) Parts & Diagrams Parts Lists & Diagrams

Snow Thrower