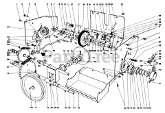
38160 (1132) - Toro Snow Thrower (SN: 003000001 - 003999999) (1983) Parts & Diagrams Parts Lists & Diagrams

Snow Thrower