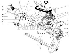
38165 (S-620) - Toro Snow Thrower (SN: 008000001 - 008999999) (1988) Parts & Diagrams Parts Lists & Diagrams

Snow Thrower