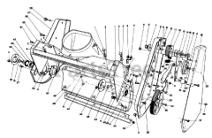
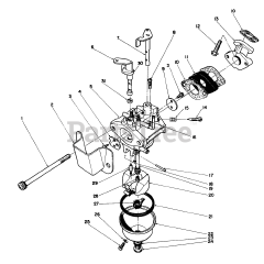
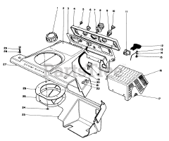
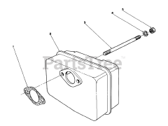
38181 (CCR 2000) - Toro Snow Thrower (SN: 000000001 - 000999999) (1990) Parts & Diagrams Parts Lists & Diagrams

Snow Thrower