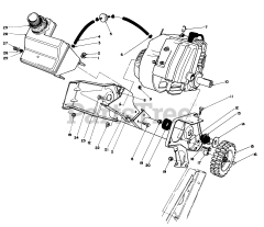
38181 (CCR 2000) - Toro Snow Thrower (SN: 010000001 - 019999999) (1991) Parts & Diagrams Parts Lists & Diagrams

Snow Thrower