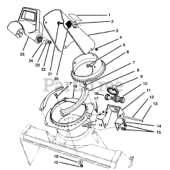
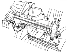
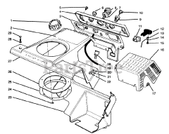
38181 (CCR 2000) - Toro Snow Thrower (SN: 069000001 - 069999999) (1996) Parts & Diagrams Parts Lists & Diagrams

Snow Thrower