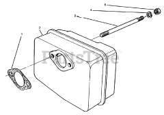
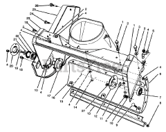
38185 (CCR 2000) - Toro Snow Thrower (SN: 059000001 - 059999999) (1995) Parts & Diagrams Parts Lists & Diagrams

Snow Thrower