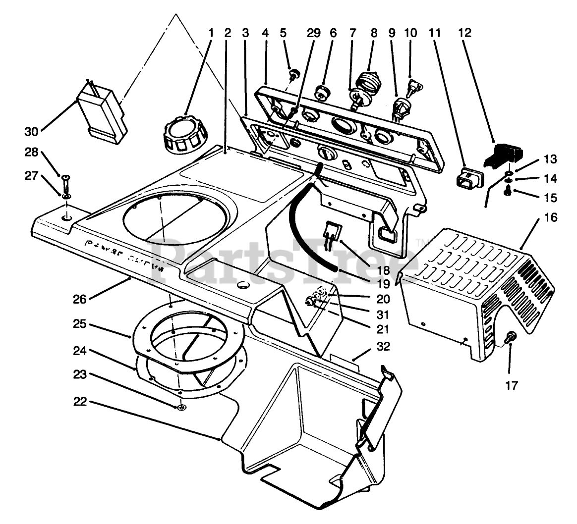
38185 (CCR 2000) - Toro Snow Thrower (SN: 059000001 - 059999999) (1995) Control Panel Shrouding Assembly Parts Diagram

Snow Thrower

Control Panel Shrouding Assembly Parts Diagram

  • Title
1

Toro 55-3573

See Supercession: 104-4133
(Superseded to 104-4133)

$15.99

$

In Stock, only 3 left!

0

2

Toro 77-5220

DISCONTINUED

$

$

Not available

3

Toro 12-4659

CONT PANEL/PRIMER BODY

$

$

Not available

4

Toro 61-4410

See Supercession: 104-2772
(Superseded to 104-2772)

$

$

Not available

Toro 94-2569

PLATE

Note: Not illustrated

$

$

Not available

5

Toro 32144-112

SCREW-HWH

$1.49

$

In Stock, Qty 20+

0

6

Toro 55-9410

GUIDE-ROPE, STARTER

$18.99

$

Usually ships in 3-6 days

0

7

Toro 44-2750

BODY-PRIMER

$10.99

$

In Stock, Qty 20+

0

8

Toro 66-7460

BULB-PRIMER

$7.49

$

In Stock, Qty 20+

0

9

Toro 40-5940

SWITCH

$17.99

$

In Stock, Qty 20+

0

10

Toro 63-8360

KEY-IGNITION

$6.49

$

In Stock, Qty 20+

0

11

Toro 55-8820

FITTING

$10.99

$

In Stock, only 2 left!

0

12

Toro 55-8810

CONTROL-CHOKE

$15.99

$

In Stock, only 2 left!

0

Toro 55-8811

CHOKE CONTROL

Note: Not illustrated

$

$

Not available

13

Toro 61-4651

See Supercession: 94-2797
(Superseded to 94-2797)

$32.99

$

In Stock, Qty 20+

0

14

Toro 3256-49

WASHER-PLAIN

$0.99

$

In Stock, Qty 10

0

15

Toro 32144-111

SCREW-PPH

$1.49

$

In Stock, Qty 12

0

16

Toro 55-9210

See Supercession: 55-9210-03
(Superseded to 55-9210-03)

$

$

Not available

17

Toro 32105-8

SCREW-SHH

$2.49

$

Usually ships in 3-6 days

0

18

Toro 218-532

CONNECTOR-BODY

$16.99

$

Usually ships in 3-6 days

0

19

Toro 44-3171

PRIMER HOSE

$11.99

$

Usually ships in 3-6 days

0

20

Toro 55-9660

WASHER

$

$

Not available

21

Toro 3296-12

NUT-LOCK, NI

$1.49

$

Usually ships in 3-6 days

0

22

Toro 55-8791

DISCONTINUED

$

$

Not available

23

Toro 3290-474

PALNUT

$0.99

$

In Stock, only 1 left!

0

24

Toro 55-9540

See Supercession: 55-9540-03
(Superseded to 55-9540-03)

$24.99

$

In Stock, only 3 left!

0

25

Toro 55-9260

See Supercession: 105-3543
(Superseded to 105-3543)

$18.99

$

In Stock, only 4 left!

0

26

Toro 94-2795

UPPER SHROUD/DECAL

$262.99

$

Usually ships in 3-6 days

0

27

Toro 3256-22

WASHER-FLAT

$0.99

$

In Stock, Qty 20+

0

28

Toro 3250-32

SCREW-PPH

$0.99

$

In Stock, Qty 15

0

29

Toro 32144-27

SCREW-PLASTITE

$

$

Not available

30

Switch Assembly

Note: Note: See page 7

$

$

Not available

31

Toro 3256-14

WASHER-FLAT

$0.99

$

In Stock, Qty 20+

0

32

Toro 94-2581

DECAL - WARNING

$

$

Not available