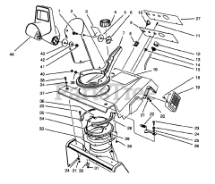
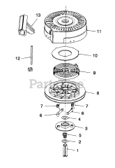
38190 (CCR 1000) - Toro Snow Thrower (SN: 049000001 - 049999999) (1994) Parts & Diagrams Parts Lists & Diagrams

Snow Thrower