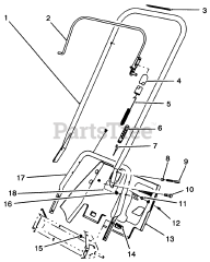
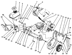
38195 (CCR 1000) - Toro Snow Thrower (SN: 039000001 - 039999999) (1993) Parts & Diagrams Parts Lists & Diagrams

Snow Thrower