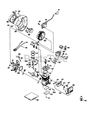
38196 (CCR 1000) - Toro Snow Thrower (SN: 020000001 - 029999999) (1992) Parts & Diagrams Parts Lists & Diagrams

Snow Thrower