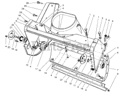
38435 (CCR 3000) - Toro Snow Thrower (SN: 079000001 - 079999999) (1997) Parts & Diagrams Parts Lists & Diagrams

Snow Thrower