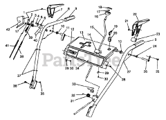
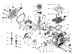
38520 (724) - Toro 24" Power Shift Snow Thrower (SN: 008000001 - 008999999) (1988) Parts & Diagrams Parts Lists & Diagrams

24" Power Shift Snow Thrower