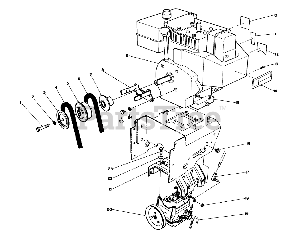
38540 (824) - Toro 24" Power Shift Snow Thrower (SN: 020000001 - 029999999) (1992) Engine Assembly Parts Diagram

24" Power Shift Snow Thrower

Engine Assembly Parts Diagram

  • Title
1

Toro 3212-8

SCREW-HH

$6.99

$

In Stock, only 3 left!

0

2

Toro 3253-6

WASHER-LOCK

$0.99

$

In Stock, Qty 20+

0

3

Toro 63-0940

Sheave Half-Impeller

$

$

Currently unavailable

4

Toro 63-2961

V-BELT

$27.99

$

In Stock, only 2 left!

0

5

Toro 63-0930

LH CASTOR ARM ASM

$

$

Not available

6

Toro 63-2951

V-BELT, TRACTION

$23.99

$

In Stock, only 2 left!

0

7

Toro 63-0920

BUSHING - TENSION

$

$

Not available

8

Toro 68-7510

See Supercession: 68-7510-03
(Superseded to 68-7510-03)

$

$

Not available

9

Engine-Tecumseh Model No. HM80 Type 155337P

Note: Obtain from your local Tecumseh dealer.

$

$

Not available

10

Toro 62-5760

See Supercession: 94-2572
(Superseded to 94-2572)

$

$

Not available

11

Toro 63-3190

DECAL-THROTTLE

$

$

Not available

12

Toro 63-2400

DECAL-CHOKE

$

$

Not available

Toro 63-2410

DECAL-CHOKE

Note: Not illustrated

$

$

Not available

13

Toro 32144-4

SCREW-HWH

$1.49

$

In Stock, Qty 20+

0

14

Toro 66-6840

DECAL-WARNING, HOT SURFACE

$94.99

$

Usually ships in 3-6 days

0

Toro 63-2310

See Supercession: 94-2576
(Superseded to 94-2576)

Note: Not illustrated

$

$

Not available

15

Toro 32128-20

NUT-HF

$1.49

$

In Stock, Qty 20+

0

16

Toro 3234-7

SCREW-HHF

$2.49

$

In Stock, only 2 left!

0

17

Toro 63-2640

DISCONTINUED

$

$

Not available

18

Toro 3296-39

NUT-LOCK, NI

$2.99

$

In Stock, Qty 20+

0

19

Toro 63-2940

CHAIN

$

$

Not available

20

Toro 66-8030

TRACTION GEARCASE ASM

$2552.99

$

Usually ships in 3-6 days

0

21

Toro 63-2990

See Supercession: 63-2990-03
(Superseded to 63-2990-03)

$

$

Not available

22

Toro 3290-461

WASHER-SPRING

$5.49

$

In Stock, only 2 left!

0

23

Toro 11-0590

See Supercession: 32144-102
(Superseded to 32144-102)

$3.99

$

In Stock, Qty 5

0

24

Toro 3253-4

WASHER-LOCK

$0.99

$

In Stock, Qty 10

0

25

Toro 3210-1

SCREW-HH

$8.49

$

In Stock, only 2 left!

0