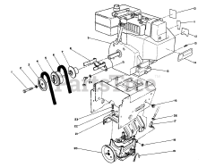
38555 (1028) - Toro 28" Power Shift Snow Thrower (SN: 059000001 - 059999999) (1995) Parts & Diagrams Parts Lists & Diagrams

28" Power Shift Snow Thrower