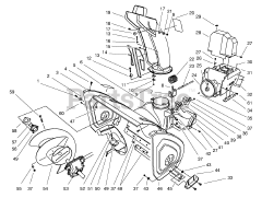
38555 (1028) - Toro 28" Power Shift Snow Thrower (SN: 089000001 - 089999999) (1998) Parts & Diagrams Parts Lists & Diagrams

28" Power Shift Snow Thrower