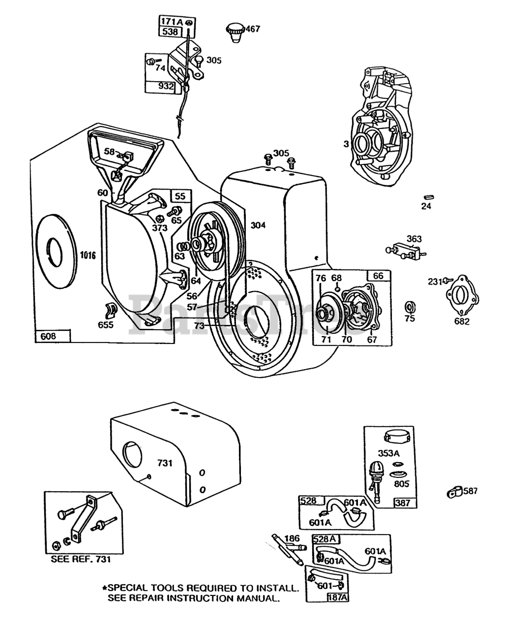
38566 (1132) - Toro 32" Power Shift Snow Thrower (SN: 020000001 - 029999999) (1992) ENGINE BRIGGS & STRATTON MODEL 252416 TYPE 0756-01 & 0757-01 Parts Diagram

32" Power Shift Snow Thrower

ENGINE BRIGGS & STRATTON MODEL 252416 TYPE 0756-01 & 0757-01 Parts Diagram

  • Title
3

Briggs & Stratton 391086

Seal-Oil
(Superseded to 391086S)

$6.49

$

In Stock, Qty 20+

0

24

Briggs & Stratton 222698

Key
(Superseded to 222698S)

$2.99

$

In Stock, Qty 20+

0

55

Briggs & Stratton 398099

Housing-Rewind Starter

$

$

Not available

56

Briggs & Stratton 295871

Pulley-Rewind

$15.99

$

In Stock, Qty 8

0

57

Briggs & Stratton 490179

Spring-Rewind

$16.99

$

In Stock, Qty 9

0

58

Briggs & Stratton 66884

Rope-Rewind
(Superseded to 692188)

$8.99

$

In Stock, Qty 6

0

60

Briggs & Stratton 398101

Handle-Grip
(Superseded to 699334)

$13.99

$

Usually ships in 2-12 days

0

63

Briggs & Stratton 260414

Spring
(Superseded to 690547)

$8.99

$

In Stock, Qty 5

0

64

Briggs & Stratton 230543

Adapter
(Superseded to 691920)

$12.99

$

In Stock, only 4 left!

0

65

Briggs & Stratton 93105

Screw-Sem
(Superseded to 690837)

$3.49

$

In Stock, Qty 9

0

Briggs & Stratton 94128

Screw
(Superseded to 690837)

Note: Not illustrated

$3.49

$

In Stock, Qty 9

0

66

Briggs & Stratton 399671

Clutch-Starter

$41.99

$

In Stock, Qty 20+

0

67

$38.99

$

In Stock, only 3 left!

0

68

Briggs & Stratton 63770

Ball
(Superseded to 691604)

$

$

Not available

70

Briggs & Stratton 298799

Ratchet
(Superseded to 691945)

$18.99

$

In Stock, only 2 left!

0

71

Briggs & Stratton 221653

Washer
(Superseded to 691359)

$10.99

$

In Stock, only 3 left!

0

73

Briggs & Stratton 221796

Screen
(Superseded to 691754)

$34.99

$

In Stock, only 3 left!

0

74

Briggs & Stratton 93042

Screw
(Superseded to 691078)

$4.99

$

Usually ships in 2-12 days

0

75

Briggs & Stratton 220865

Washer
(Superseded to 690582)

$

$

Not available

76

Briggs & Stratton 68238

Washer
(Superseded to 691359)

$10.99

$

In Stock, only 3 left!

0

171A

Briggs & Stratton 90356

Nut
(Superseded to 690276)

$

$

Not available

186

$

$

Not available

187A

Briggs & Stratton 393815

Line-Vacuum
(Superseded to 791880)

$

$

Not available

$

$

Not available

304

Briggs & Stratton 392738

Housing-Blower
(Superseded to 490446)

$

$

Not available

Briggs & Stratton 490446

Housing-Blower

Note: Not illustrated

$

$

Not available

305

Briggs & Stratton 93158

Screw
(Superseded to 692198)

$6.49

$

In Stock, Qty 20+

0

$4.99

$

Usually ships in 2-12 days

0

363

Briggs & Stratton 19203

Puller-Flywheel

$28.99

$

In Stock, only 2 left!

0

373

Briggs & Stratton 92987

Nut
(Superseded to 690800)

$4.49

$

In Stock, Qty 11

0

$

$

Not available

$

$

Not available

528

Briggs & Stratton 399256

Hose-Primer(Incl. Filter)
(Superseded to 793006)

$9.49

$

In Stock, Qty 9

0

528A

$

$

Not available

538

$51.99

$

Usually ships in 2-12 days

0

587

Briggs & Stratton 220162

Clamp
(Superseded to 690389)

$4.49

$

Usually ships in 2-12 days

0

601

Briggs & Stratton 93053

Clamp-Hose
(Superseded to 791850)

$3.49

$

In Stock, Qty 20+

0

Briggs & Stratton 93807

Clamp-Hose
(Superseded to 691038)

$3.99

$

In Stock, Qty 20+

0

601A

Briggs & Stratton 94171

Clamp
(Superseded to 691638)

$4.99

$

Usually ships in 2-12 days

0

$

$

Not available

655

Briggs & Stratton 222598

Anchor Spring
(Superseded to 691734)

$

$

Not available

$

$

Not available

$

$

Not available

Briggs & Stratton 223825

Strap Support

Note: Not illustrated

$

$

Not available

Briggs & Stratton 93490

Screw
(Superseded to 691660)

Note: Not illustrated

$3.99

$

Usually ships in 2-12 days

0

Briggs & Stratton 93640

Screw (Hood to Cyl. Head)

Note: Not illustrated

$

$

Not available

Briggs & Stratton 90832

Washer-Lock
(Superseded to 22097GS)

Note: Not illustrated

$3.49

$

Usually ships in 2-12 days

0

$

$

Not available

932

$

$

Not available

$9.49

$

In Stock, Qty 7

0