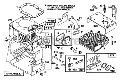
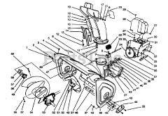
38566 (1132) - Toro 32" Power Shift Snow Thrower (SN: 059000001 - 059999999) (1995) Parts & Diagrams Parts Lists & Diagrams

32" Power Shift Snow Thrower