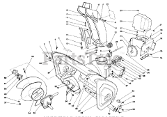
38570 (828) - Toro 28" Power Shift Snow Thrower (SN: 000000001 - 000999999) (1990) Parts & Diagrams Parts Lists & Diagrams

28" Power Shift Snow Thrower