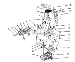
38570 (828) - Toro 28" Power Shift Snow Thrower (SN: 008000001 - 008999999) (1988) Parts & Diagrams Parts Lists & Diagrams

28" Power Shift Snow Thrower