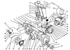
38570 (828) - Toro 28" Power Shift Snow Thrower (SN: 049000001 - 049999999) (1994) Parts & Diagrams Parts Lists & Diagrams

28" Power Shift Snow Thrower