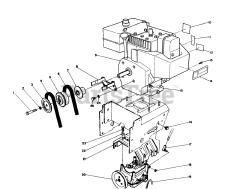
38573 (828) - Toro 28" Power Shift Snow Thrower (SN: 009000001 - 009999999) (1989) Parts & Diagrams Parts Lists & Diagrams

28" Power Shift Snow Thrower