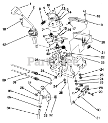
38574 (828) - Toro 28" Power Shift Snow Thrower (SN: 010000001 - 019999999) (1991) Parts & Diagrams Parts Lists & Diagrams

28" Power Shift Snow Thrower