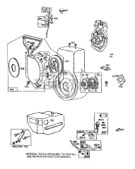
38580 (1132) - Toro 32" Power Shift Snow Thrower (SN: 008000001 - 008999999) (1988) Parts & Diagrams Parts Lists & Diagrams

32" Power Shift Snow Thrower