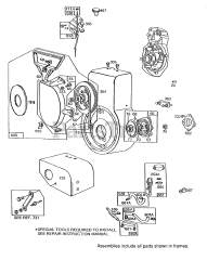
38580 (1132) - Toro 32" Power Shift Snow Thrower (SN: 009000001 - 009999999) (1989) Parts & Diagrams Parts Lists & Diagrams

32" Power Shift Snow Thrower