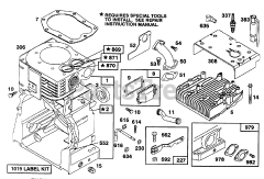
38580 (1132) - Toro 32" Power Shift Snow Thrower (SN: 039000001 - 039999999) (1993) Parts & Diagrams Parts Lists & Diagrams

32" Power Shift Snow Thrower