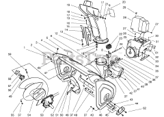
38590 (1232) - Toro 32" Power Shift Snow Thrower (SN: 079000001 - 079999999) (1997) Parts & Diagrams Parts Lists & Diagrams

32" Power Shift Snow Thrower