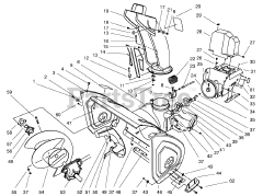
38590 (1232) - Toro 32" Power Shift Snow Thrower (SN: 089000001 - 089999999) (1998) Parts & Diagrams Parts Lists & Diagrams

32" Power Shift Snow Thrower