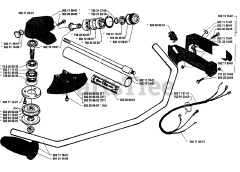
39 R - Husqvarna String Trimmer (1987-08) Parts & Diagrams Parts Lists & Diagrams

String Trimmer