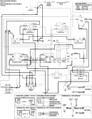
3900 (5900597) - Massey Ferguson 61" Zero-Turn Mower, 28hp Briggs & Stratton Parts & Diagrams Parts Lists & Diagrams

61" Zero-Turn Mower, 28hp Briggs & Stratton