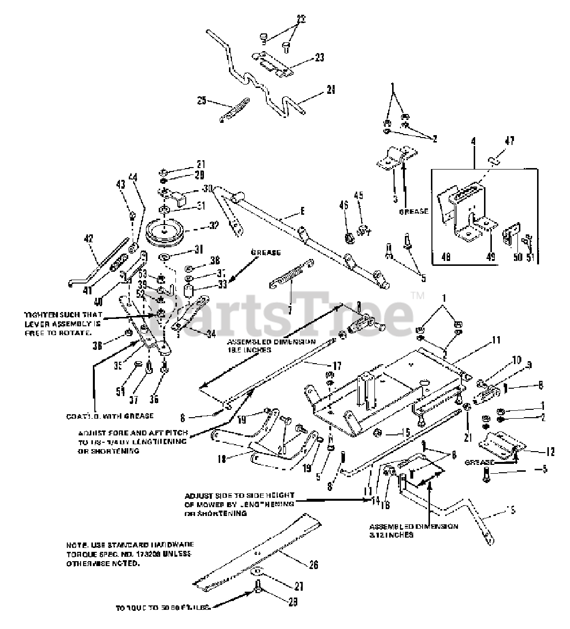
4008 (1690173) - Simplicity 36" Lawn Tractor Mower, 8hp Clutch & Wheel Support Group (0228I02) Parts Diagram

36" Lawn Tractor Mower, 8hp

Clutch & Wheel Support Group (0228I02) Parts Diagram

  • Title
1

Simplicity 1917372SM

NUT, Hex, 5/16-18
(Superseded to 7091511SM)

$3.49

$

In Stock, only 3 left!

0

2

Simplicity 1917356SM

LOCKWASHER, 5/16
(Superseded to 5025170SM)

$4.49

$

In Stock, only 2 left!

0

$

$

Not available

4

Simplicity 1654553

QUADRAND ASSEMBLY

$

$

Not available

5

Simplicity 2820562

BOLT, Carriage, 5/16-18 x 3/4

$

$

Not available

6

Simplicity 1668099

R.H. ROLLER & WHEEL SUPPORT
(Superseded to 1668099ASM)

$448.99

$

Usually ships in 2-12 days

0

$34.99

$

Usually ships in 2-12 days

0

8

Simplicity 2818447

PIN, Cotter, 3/32 x 3/4

$

$

Not available

9

Simplicity 108167

CLEVIS, Adjusting

$

$

Not available

10

Simplicity 2823087

PIN, Yoke, 3/8

$

$

Not available

11

Simplicity 1685253SM

SUPPORT ASSEMBLY

$148.99

$

Usually ships in 2-12 days

0

12

Simplicity 1653768ASM

CLAMP, Wheel Support

$13.99

$

Usually ships in 2-12 days

0

13

Simplicity 1668098SM

L.H. ROLLER & WHEEL SUPPORT
(Superseded to 1668098ASM)

$246.99

$

Usually ships in 2-12 days

0

14

$27.99

$

In Stock, Qty 8

0

15

Simplicity 2830645

NUT, Flange, 3/8-16

$

$

Not available

$37.99

$

In Stock, Qty 6

0

17

Simplicity 1702502SM

ROD, Height Adjusting

$

$

Not available

18

Simplicity 1674011

ROCKER ARM ASSEMBLY
(Superseded to 1674011ASM)

$

$

Not available

19

$

$

Not available

20

Simplicity 2821210

CAPSCREW, 3/8-16 x 1

$

$

Not available

21

Simplicity 2816950SM

NUT, Hex, 3/8-16
(Superseded to 703457)

$4.49

$

In Stock, Qty 12

0

22

Simplicity 2827428

SCREW, Taptite, 1/4-20 x 3/8

$

$

Not available

23

Simplicity 1655507

SUPPORT, Brake

$

$

Not available

24

$33.99

$

Usually ships in 2-12 days

0

$21.99

$

In Stock, only 2 left!

0

26

Simplicity 1657589

BLADE
(Superseded to 1657589ASM)

$33.99

$

In Stock, Qty 11

0

27

Simplicity 1654565SM

WASHER, Spring

$16.99

$

Usually ships in 2-12 days

0

28

Simplicity 922155

CAPSCREW, 1/2-20 x 1-1/4

$

$

Not available

29

Simplicity 1916965SM

LOCKWASHER, 3/8
(Superseded to 703454)

$3.49

$

In Stock, Qty 20+

0

30

Simplicity 2106717

GUIDE, Belt

$

$

Not available

31

Simplicity 2817642

WASHER, Plain, 5/16

$

$

Not available

32

Simplicity 2106716

PULLEY, Idler

$

$

Not available

$9.49

$

Usually ships in 2-12 days

0

34

Simplicity 1655424

LEVER, Brake

$

$

Not available

35

Simplicity 1655105

CLUTCH LEVER ASSEMBLY

$

$

Not available

36

Simplicity 2821969

CAPSCREW, 3/8-16 x 1-1/2

$

$

Not available

37

Simplicity 2821333

CAPSCREW, 5/16-18 x 1

$

$

Not available

38

Simplicity 2823362

NUT, Lock, 5/16-18

$

$

Not available

39

$11.99

$

Usually ships in 2-12 days

0

40

Simplicity 108552

ROD GUIDE ASSEMBLY

$

$

Not available

$8.99

$

Usually ships in 2-12 days

0

42

Simplicity 1654402

ROD, Clutch

$

$

Not available

43

Simplicity 2828804

SETSCREW, Square Head, 1/4-20 x 3/8

$

$

Not available

44

Simplicity 1729276SM

COLLAR, Set

$

$

Not available

$71.99

$

In Stock, Qty 8

0

46

Simplicity 1930647

NUT, Pal
(Superseded to 2830647SM)

$3.99

$

Usually ships in 2-12 days

0

47

Simplicity 1656855

DECAL, Height

$

$

Not available

48

$

$

Not available

49

$

$

Not available

50

Simplicity 1654552

BRACKET, Switch

$

$

Not available

$

$

Not available

52

Simplicity 1924940SM

WASHER, Plain, 3/8
(Superseded to 703878)

$3.99

$

In Stock, Qty 20+

0

53

Simplicity 2830650

NUT, Flange, 7/16-14

$

$

Not available

54

$

$

Not available