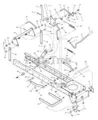
405013x50C - Murray 40" Lawn Tractor (2007) Parts & Diagrams Parts Lists & Diagrams

40" Lawn Tractor