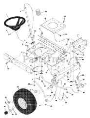
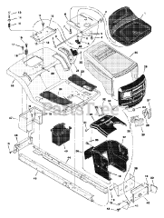
40542A - Murray 40" Lawn Tractor (1997) Parts & Diagrams Parts Lists & Diagrams

40" Lawn Tractor