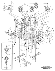
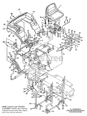
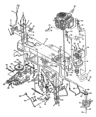
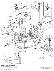
4140 G - Husqvarna 46" Lawn Tractor (1991-01) Parts & Diagrams Parts Lists & Diagrams

46" Lawn Tractor