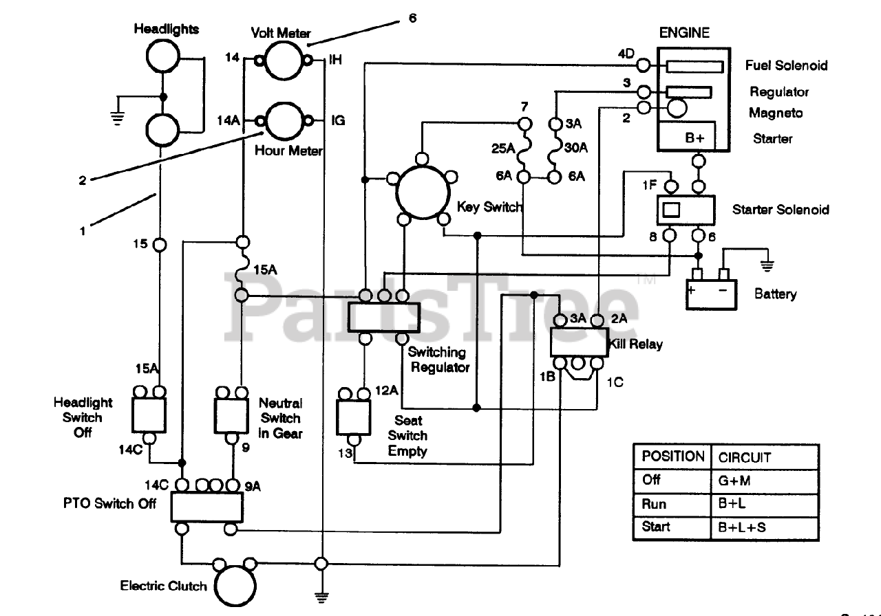
42-16BE01 (246-H) - Toro Yard Tractor (SN: 020000001 - 029999999) (1992) Electrical Schematic Parts Diagram

Yard Tractor

Electrical Schematic Parts Diagram

  • Title
1

Toro 79-3570

WIRING-HARNESS

$

$

Not available