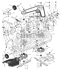
425612x99A - Briggs & Stratton 42" Lawn Tractor (2002) (AAFES) Parts & Diagrams Parts Lists & Diagrams

42" Lawn Tractor

425612x99A - Briggs & Stratton 42" Lawn Tractor (2002) (AAFES) > Parts Diagrams (7)