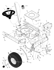
425615x52A - Murray 42" Lawn Tractor (2004) Parts & Diagrams Parts Lists & Diagrams

42" Lawn Tractor