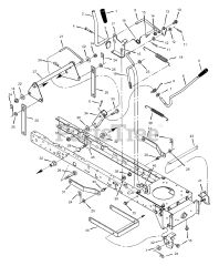
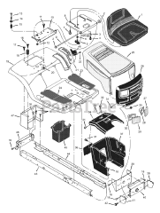
42576x92D - Briggs & Stratton 42" Lawn Tractor (2001) Parts & Diagrams Parts Lists & Diagrams

42" Lawn Tractor