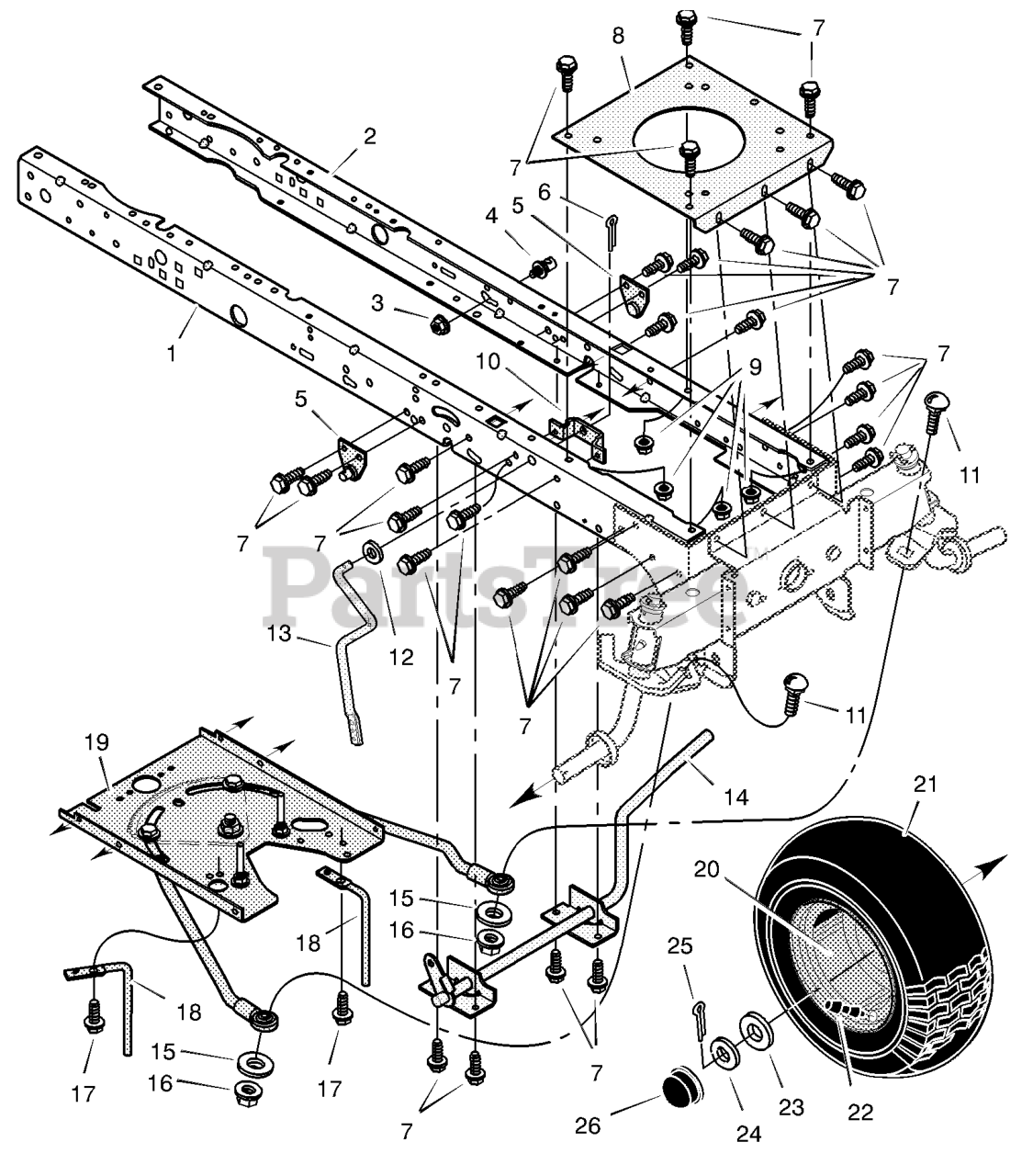
461018x99A - Briggs & Stratton 46" Garden Tractor (2001) (AAFES) Front Frame Assembly Parts Diagram

46" Garden Tractor

Front Frame Assembly Parts Diagram

  • Title
1

Murray 1001124E701

Frame, Right

$

$

Not available

2

Murray 1001123E701

Frame, Left

$

$

Currently unavailable

3

Murray 015X84MA

Nut, Flange
(Superseded to 703893)

$6.99

$

In Stock, Qty 20+

0

4

Murray 690182MA

Stud, Swivel

$12.99

$

Usually ships in 2-12 days

0

5

Murray 690406E700

Bracket Assembly, Suspension

$

$

Not available

6

Murray 030X20MA

Pin, Cotter
(Superseded to 703312)

$4.49

$

In Stock, Qty 20+

0

7

$

$

Not available

8

Murray 094006E700

Plate, Engine

$

$

Currently unavailable

9

Murray 015X88MA

Nut
(Superseded to 704067)

$3.99

$

In Stock, Qty 20+

0

10

Murray 094005E700

Bracket, PTO Crank

$

$

Not available

11

Murray 002X87

Bolt, Carriage

$3.49

$

Usually ships in 2-12 days

0

12

$4.49

$

Usually ships in 2-12 days

0

13

Murray 690394E700

Crank, PTO

$

$

Currently unavailable

14

Murray 094038E701MA

Lever, Brake/Clutch
(Superseded to 7400256ZMA)

$77.99

$

Usually ships in 2-12 days

0

15

Murray 17X152

Washer

$

$

Not available

$5.49

$

Usually ships in 2-12 days

0

17

Murray 025X15MA

Screw
(Superseded to 703950)

$5.99

$

In Stock, only 2 left!

0

18

Murray 690192E700

Guide, Belt

$

$

Currently unavailable

19

Assembly, Steering *

$

$

Not available

20

Murray 092644601

Wheel & Tire Assembly

$262.99

$

Usually ships in 2-12 days

0

21

$116.99

$

Usually ships in 2-12 days

0

--

$72.99

$

Usually ships in 2-12 days

0

--

Murray 093604

Bearing, Wheel

$

$

Currently unavailable

22

Murray 024373MA

Stem, Valve

$

$

Not available

23

$8.49

$

In Stock, only 2 left!

0

24

$

$

Not available

25

Murray 030X49MA

Pin, Cotter

$4.49

$

In Stock, Qty 7

0

26

Murray 094618MA

Cap, Hub

$5.99

$

In Stock, Qty 20+

0