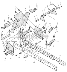
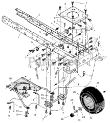
46103x50C - Murray 46" Garden Tractor (2001) Parts & Diagrams Parts Lists & Diagrams

46" Garden Tractor