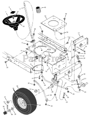
465617A - Murray 46" Lawn Tractor (2002) Parts & Diagrams Parts Lists & Diagrams

46" Lawn Tractor