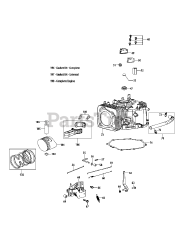
4P90MU - Troy-Bilt Engine Parts & Diagrams Parts Lists & Diagrams

Engine