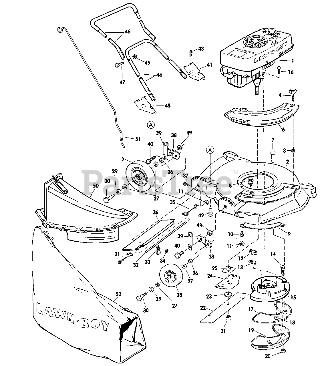
5024 - Lawn-Boy Walk-Behind Mower (SN: 800000001 - 899999999) (1978) MODEL 7084, 21" SPECIAL WITHOUT GRASSCATCHER-PUSH MODEL 7024, 21" SPECIAL WITH GRASSCATCHER-PUSH MODEL 5024, 19" SPECIAL WITHOUT G Parts Diagram

Walk-Behind Mower

MODEL 7084, 21" SPECIAL WITHOUT GRASSCATCHER-PUSH MODEL 7024, 21" SPECIAL WITH GRASSCATCHER-PUSH MODEL 5024, 19" SPECIAL WITHOUT G Parts Diagram

  • Title
1

See Note #2 at bottom of this page.

Note: Note #1. Painted, plastic, fiberglass replacement parts or wheels may not always be available in matching colors. Note #3. An accessory grass catcher kit part no. 679968 may be purchased from your dealer for Models 7084-5024. Note #2. A complete engine, part no. 679904, D-433 is available for replac

$

$

Not available

2

Lawn-Boy 681536

Housing-19" (Not Shown)
(Superseded to 684521)

Note: Note #1. Painted, plastic, fiberglass replacement parts or wheels may not always be available in matching colors. Note #3. An accessory grass catcher kit part no. 679968 may be purchased from your dealer for Models 7084-5024. 19" Models only

$

$

Not available

2

Lawn-Boy 681537

Housing & Cover Plate-21"
(Superseded to 684522)

Note: Note #1. Painted, plastic, fiberglass replacement parts or wheels may not always be available in matching colors. Note #3. An accessory grass catcher kit part no. 679968 may be purchased from your dealer for Models 7084-5024. 21" Models only

$618.99

$

In Stock, only 1 left!

0

3

Lawn-Boy 604604

Grommet (Also Included in 681536 19" Housing)
(Superseded to 94-1610)

Note: Note #1. Painted, plastic, fiberglass replacement parts or wheels may not always be available in matching colors. Note #3. An accessory grass catcher kit part no. 679968 may be purchased from your dealer for Models 7084-5024. 19" Models only 21" Models only

$1.49

$

In Stock, Qty 20+

0

4

Lawn-Boy 606733

Screw

Note: Note #1. Painted, plastic, fiberglass replacement parts or wheels may not always be available in matching colors. Note #3. An accessory grass catcher kit part no. 679968 may be purchased from your dealer for Models 7084-5024. 19" Models only 21" Models only

$10.99

$

In Stock, only 3 left!

0

5

Lawn-Boy 678637

Wheel & Tire-8"
(Superseded to 131-4520)

Note: Note #1. Painted, plastic, fiberglass replacement parts or wheels may not always be available in matching colors. Note #3. An accessory grass catcher kit part no. 679968 may be purchased from your dealer for Models 7084-5024.

$36.99

$

Usually ships in 3-6 days

0

6

Lawn-Boy 607560

Cover-Chute (19" & 21" Models)
(Superseded to 95-7052)

Note: Note #1. Painted, plastic, fiberglass replacement parts or wheels may not always be available in matching colors. Note #3. An accessory grass catcher kit part no. 679968 may be purchased from your dealer for Models 7084-5024.

$38.99

$

In Stock, only 2 left!

0

7

Lawn-Boy 604862

Screw-Muffler Plate to Housing

Note: Note #1. Painted, plastic, fiberglass replacement parts or wheels may not always be available in matching colors. Note #3. An accessory grass catcher kit part no. 679968 may be purchased from your dealer for Models 7084-5024.

$

$

Not available

8

Lawn-Boy 607809

Bolt
(Superseded to 614677)

Note: Note #1. Painted, plastic, fiberglass replacement parts or wheels may not always be available in matching colors. Note #3. An accessory grass catcher kit part no. 679968 may be purchased from your dealer for Models 7084-5024.

$4.99

$

In Stock, Qty 16

0

9

Lawn-Boy 608159

Toe Bar-19" Models

Note: Note #1. Painted, plastic, fiberglass replacement parts or wheels may not always be available in matching colors. Note #3. An accessory grass catcher kit part no. 679968 may be purchased from your dealer for Models 7084-5024. 19" Models only

$

$

Not available

9

Lawn-Boy 608175

Toe Bar-21" Models

Note: Note #1. Painted, plastic, fiberglass replacement parts or wheels may not always be available in matching colors. Note #3. An accessory grass catcher kit part no. 679968 may be purchased from your dealer for Models 7084-5024. 21" Models only

$82.99

$

Usually ships in 3-6 days

0

10

Lawn-Boy 608418

Screw
(Superseded to 46-6811)

Note: Note #1. Painted, plastic, fiberglass replacement parts or wheels may not always be available in matching colors. Note #3. An accessory grass catcher kit part no. 679968 may be purchased from your dealer for Models 7084-5024.

$3.99

$

In Stock, only 2 left!

0

11

Lawn-Boy 603773

Nut

Note: Note #1. Painted, plastic, fiberglass replacement parts or wheels may not always be available in matching colors. Note #3. An accessory grass catcher kit part no. 679968 may be purchased from your dealer for Models 7084-5024.

$2.99

$

In Stock, Qty 20+

0

12

Lawn-Boy 602717

Sleeve-Muffler Gasket

Note: Note #1. Painted, plastic, fiberglass replacement parts or wheels may not always be available in matching colors. Note #3. An accessory grass catcher kit part no. 679968 may be purchased from your dealer for Models 7084-5024.

$3.49

$

In Stock, Qty 12

0

13

Lawn-Boy 604624

Gasket-Exhaust

Note: Note #1. Painted, plastic, fiberglass replacement parts or wheels may not always be available in matching colors. Note #3. An accessory grass catcher kit part no. 679968 may be purchased from your dealer for Models 7084-5024.

$12.99

$

In Stock, Qty 6

0

14

Lawn-Boy 607847

Screw-Muffler to Muffler Plate

Note: Note #1. Painted, plastic, fiberglass replacement parts or wheels may not always be available in matching colors. Note #3. An accessory grass catcher kit part no. 679968 may be purchased from your dealer for Models 7084-5024.

$

$

Not available

15

Lawn-Boy 679903

Muffler Plate Assy

Note: Note #1. Painted, plastic, fiberglass replacement parts or wheels may not always be available in matching colors. Note #3. An accessory grass catcher kit part no. 679968 may be purchased from your dealer for Models 7084-5024.

$

$

Not available

16

Lawn-Boy 607715

Screw

Note: Note #1. Painted, plastic, fiberglass replacement parts or wheels may not always be available in matching colors. Note #3. An accessory grass catcher kit part no. 679968 may be purchased from your dealer for Models 7084-5024.

$

$

Not available

17

Lawn-Boy 604516

Gasket-Muffler

Note: Note #1. Painted, plastic, fiberglass replacement parts or wheels may not always be available in matching colors. Note #3. An accessory grass catcher kit part no. 679968 may be purchased from your dealer for Models 7084-5024.

$

$

Not available

18

Lawn-Boy 608311

Nut

Note: Note #1. Painted, plastic, fiberglass replacement parts or wheels may not always be available in matching colors. Note #3. An accessory grass catcher kit part no. 679968 may be purchased from your dealer for Models 7084-5024.

$3.49

$

In Stock, only 1 left!

0

19

Lawn-Boy 604024

Muffler

Note: Note #1. Painted, plastic, fiberglass replacement parts or wheels may not always be available in matching colors. Note #3. An accessory grass catcher kit part no. 679968 may be purchased from your dealer for Models 7084-5024.

$

$

Not available

20

Lawn-Boy 608559

Nut-Muffler

Note: Note #1. Painted, plastic, fiberglass replacement parts or wheels may not always be available in matching colors. Note #3. An accessory grass catcher kit part no. 679968 may be purchased from your dealer for Models 7084-5024.

$

$

Not available

21

Lawn-Boy 603164

Nut-Blade
(Superseded to 121-3611)

Note: Note #1. Painted, plastic, fiberglass replacement parts or wheels may not always be available in matching colors. Note #3. An accessory grass catcher kit part no. 679968 may be purchased from your dealer for Models 7084-5024.

$6.49

$

In Stock, only 2 left!

0

22

Lawn-Boy 603703

Blade-21"
(Superseded to 612543-03)

Note: Note #1. Painted, plastic, fiberglass replacement parts or wheels may not always be available in matching colors. Note #3. An accessory grass catcher kit part no. 679968 may be purchased from your dealer for Models 7084-5024. 21" Models only

$31.99

$

In Stock, Qty 20+

0

22

Lawn-Boy 603409

Blade-19"
(Superseded to 603409-03)

Note: Note #1. Painted, plastic, fiberglass replacement parts or wheels may not always be available in matching colors. Note #3. An accessory grass catcher kit part no. 679968 may be purchased from your dealer for Models 7084-5024. 19" Models only

$

$

Not available

23

Lawn-Boy 605058

Washer (21" Models Only)

Note: Note #1. Painted, plastic, fiberglass replacement parts or wheels may not always be available in matching colors. Note #3. An accessory grass catcher kit part no. 679968 may be purchased from your dealer for Models 7084-5024. 21" Models only

$6.49

$

In Stock, Qty 10

0

24

Lawn-Boy 603541

Stiffener-Blade

Note: Note #1. Painted, plastic, fiberglass replacement parts or wheels may not always be available in matching colors. Note #3. An accessory grass catcher kit part no. 679968 may be purchased from your dealer for Models 7084-5024.

$

$

Not available

25

Lawn-Boy 677525

Collar & Plate Assembly

Note: Note #1. Painted, plastic, fiberglass replacement parts or wheels may not always be available in matching colors. Note #3. An accessory grass catcher kit part no. 679968 may be purchased from your dealer for Models 7084-5024.

$49.99

$

In Stock, Qty 6

0

26

Lawn-Boy 603620

Washer

Note: Note #1. Painted, plastic, fiberglass replacement parts or wheels may not always be available in matching colors. Note #3. An accessory grass catcher kit part no. 679968 may be purchased from your dealer for Models 7084-5024.

$6.49

$

In Stock, Qty 20+

0

27

Lawn-Boy 605255

Felt Washer

Note: Note #1. Painted, plastic, fiberglass replacement parts or wheels may not always be available in matching colors. Note #3. An accessory grass catcher kit part no. 679968 may be purchased from your dealer for Models 7084-5024.

$1.99

$

In Stock, Qty 20+

0

28

Lawn-Boy 678636

Wheel & Tire-6"

Note: Note #1. Painted, plastic, fiberglass replacement parts or wheels may not always be available in matching colors. Note #3. An accessory grass catcher kit part no. 679968 may be purchased from your dealer for Models 7084-5024.

$35.99

$

In Stock, only 2 left!

0

29

Lawn-Boy 605256

Washer-Wheel Bolt Head

Note: Note #1. Painted, plastic, fiberglass replacement parts or wheels may not always be available in matching colors. Note #3. An accessory grass catcher kit part no. 679968 may be purchased from your dealer for Models 7084-5024.

$2.99

$

In Stock, Qty 20+

0

30

Lawn-Boy 603441

Bolt-Shoulder, Wheel-Front & Rear

Note: Note #1. Painted, plastic, fiberglass replacement parts or wheels may not always be available in matching colors. Note #3. An accessory grass catcher kit part no. 679968 may be purchased from your dealer for Models 7084-5024.

$8.49

$

In Stock, only 3 left!

0

31

Lawn-Boy 608497

Spring-R.H.

Note: Note #1. Painted, plastic, fiberglass replacement parts or wheels may not always be available in matching colors. Note #3. An accessory grass catcher kit part no. 679968 may be purchased from your dealer for Models 7084-5024.

$

$

Not available

32

Lawn-Boy 608160

Rod-19" Models

Note: Note #1. Painted, plastic, fiberglass replacement parts or wheels may not always be available in matching colors. Note #3. An accessory grass catcher kit part no. 679968 may be purchased from your dealer for Models 7084-5024. 19" Models only

$

$

Not available

Lawn-Boy 608174

Rod-21" Models

Note: Note #1. Painted, plastic, fiberglass replacement parts or wheels may not always be available in matching colors. Note #3. An accessory grass catcher kit part no. 679968 may be purchased from your dealer for Models 7084-5024. 21" Models only

$

$

Not available

33

Lawn-Boy 608161

Clamp

Note: Note #1. Painted, plastic, fiberglass replacement parts or wheels may not always be available in matching colors. Note #3. An accessory grass catcher kit part no. 679968 may be purchased from your dealer for Models 7084-5024.

$12.99

$

Usually ships in 3-6 days

0

34

Lawn-Boy 602315

Nut

Note: Note #1. Painted, plastic, fiberglass replacement parts or wheels may not always be available in matching colors. Note #3. An accessory grass catcher kit part no. 679968 may be purchased from your dealer for Models 7084-5024.

$5.49

$

Usually ships in 3-6 days

0

35

Lawn-Boy 608498

Spring-L.H.

Note: Note #1. Painted, plastic, fiberglass replacement parts or wheels may not always be available in matching colors. Note #3. An accessory grass catcher kit part no. 679968 may be purchased from your dealer for Models 7084-5024.

$

$

Not available

36

Lawn-Boy 608162

Shield-19" Models
(Superseded to 608868)

Note: Note #1. Painted, plastic, fiberglass replacement parts or wheels may not always be available in matching colors. Note #3. An accessory grass catcher kit part no. 679968 may be purchased from your dealer for Models 7084-5024. 19" Models only

$

$

Not available

36

Lawn-Boy 608173

Shield-21" Models
(Superseded to 608870)

Note: Note #1. Painted, plastic, fiberglass replacement parts or wheels may not always be available in matching colors. Note #3. An accessory grass catcher kit part no. 679968 may be purchased from your dealer for Models 7084-5024. 21" Models only

$

$

Not available

37

Lawn-Boy 306487

Screw

Note: Note #1. Painted, plastic, fiberglass replacement parts or wheels may not always be available in matching colors. Note #3. An accessory grass catcher kit part no. 679968 may be purchased from your dealer for Models 7084-5024.

$

$

Not available

38

Lawn-Boy 608833

Wheel Hgt. Adj. Bracket
(Superseded to 608833-03)

Note: Note #1. Painted, plastic, fiberglass replacement parts or wheels may not always be available in matching colors. Note #3. An accessory grass catcher kit part no. 679968 may be purchased from your dealer for Models 7084-5024.

$26.99

$

In Stock, only 3 left!

0

39

Lawn-Boy 681229

Knob & Spray Ay.

Note: Note #1. Painted, plastic, fiberglass replacement parts or wheels may not always be available in matching colors. Note #3. An accessory grass catcher kit part no. 679968 may be purchased from your dealer for Models 7084-5024.

$

$

Not available

40

Lawn-Boy 608835

Bolt-Shoulder
(Superseded to 610646)

Note: Note #1. Painted, plastic, fiberglass replacement parts or wheels may not always be available in matching colors. Note #3. An accessory grass catcher kit part no. 679968 may be purchased from your dealer for Models 7084-5024.

$7.99

$

Usually ships in 3-6 days

0

41

Lawn-Boy 679618

Bracket-Handle-Left
(Superseded to 679704)

Note: Note #1. Painted, plastic, fiberglass replacement parts or wheels may not always be available in matching colors. Note #3. An accessory grass catcher kit part no. 679968 may be purchased from your dealer for Models 7084-5024.

$

$

Not available

42

Lawn-Boy 607188

Screw

Note: Note #1. Painted, plastic, fiberglass replacement parts or wheels may not always be available in matching colors. Note #3. An accessory grass catcher kit part no. 679968 may be purchased from your dealer for Models 7084-5024.

$3.99

$

Usually ships in 3-6 days

0

43

Lawn-Boy 605803

Hairpin

Note: Note #1. Painted, plastic, fiberglass replacement parts or wheels may not always be available in matching colors. Note #3. An accessory grass catcher kit part no. 679968 may be purchased from your dealer for Models 7084-5024.

$

$

Not available

44

Lawn-Boy 607296

Handle-Bottom
(Superseded to 611113)

Note: Note #1. Painted, plastic, fiberglass replacement parts or wheels may not always be available in matching colors. Note #3. An accessory grass catcher kit part no. 679968 may be purchased from your dealer for Models 7084-5024.

$

$

Not available

45

Lawn-Boy 602315

Nut-Handle

Note: Note #1. Painted, plastic, fiberglass replacement parts or wheels may not always be available in matching colors. Note #3. An accessory grass catcher kit part no. 679968 may be purchased from your dealer for Models 7084-5024.

$5.49

$

Usually ships in 3-6 days

0

46

Lawn-Boy 678789

Handle-Top
(Superseded to 608094)

Note: Note #1. Painted, plastic, fiberglass replacement parts or wheels may not always be available in matching colors. Note #3. An accessory grass catcher kit part no. 679968 may be purchased from your dealer for Models 7084-5024.

$

$

Not available

47

Lawn-Boy 602480

Screw-Handle

Note: Note #1. Painted, plastic, fiberglass replacement parts or wheels may not always be available in matching colors. Note #3. An accessory grass catcher kit part no. 679968 may be purchased from your dealer for Models 7084-5024.

$

$

Not available

48

Lawn-Boy 679617

Bracket-Handle-Right
(Superseded to 679721)

Note: Note #1. Painted, plastic, fiberglass replacement parts or wheels may not always be available in matching colors. Note #3. An accessory grass catcher kit part no. 679968 may be purchased from your dealer for Models 7084-5024.

$

$

Not available

49

Lawn-Boy 608834

Washer

Note: Note #1. Painted, plastic, fiberglass replacement parts or wheels may not always be available in matching colors. Note #3. An accessory grass catcher kit part no. 679968 may be purchased from your dealer for Models 7084-5024.

$14.99

$

In Stock, only 1 left!

0

50

Lawn-Boy 679487

Chute
(Superseded to 99-6411)

Note: Note #1. Painted, plastic, fiberglass replacement parts or wheels may not always be available in matching colors. Note #3. An accessory grass catcher kit part no. 679968 may be purchased from your dealer for Models 7084-5024.

$

$

Not available

51

Lawn-Boy 607561

Rod

Note: Note #1. Painted, plastic, fiberglass replacement parts or wheels may not always be available in matching colors. Note #3. An accessory grass catcher kit part no. 679968 may be purchased from your dealer for Models 7084-5024.

$

$

Not available

52

Lawn-Boy 679966

Grass Bag

Note: Note #1. Painted, plastic, fiberglass replacement parts or wheels may not always be available in matching colors. Note #3. An accessory grass catcher kit part no. 679968 may be purchased from your dealer for Models 7084-5024.

$

$

Not available